一、总体情况
2024年,沐川县司法局认真落实国、省、市、县关于政府信息公开工作的决策部署,深入抓好《中华人民共和国政府信息公开条例》(以下简称"条例")贯彻实施,政府信息公开各项工作扎实有序开展。
(一)主动公开情况。2024年,通过政府门户网站公开部门信息16条。
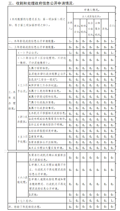
(二)依申请公开情况。推进政府信息依申请公开规范化建设,严格依法依规办理申请,健全登记、审核、办理、答复、归档等工作制度,按照《条例》相关规定办理政府信息公开申请。2024年,收到政府信息公开申请1件,予以公开1件。因政府信息公开引起的行政复议案件1件,未发生行政诉讼及举报投诉情况。
(三)政府信息管理情况。按照"公开为常态、不公开为例外"的原则,严格落实《保密审查制度》,按照"五审"制度和文件公开属性审核发布信息,要求所有公开信息须经信息提供人员、信息提供股室负责人、保密审核人员、分管(主要)领导审核后再发布,确保信息发布的质量和水平。
(四)政府信息公开平台建设情况。一是规范目录。严格按照县政府要求,将涉及的重点领域信息到相应目录进行公开,确保信息分类科学规范。二是完善行政权力运行目录。进一步厘清单位行政权责,及时调整行政权力事项。
(五)监督保障情况。强化政务公开工作管理职责,加大对政务公开工作的推进、指导、协调、监督力度。通过主动公布举报投诉电话、电子邮箱等方式,广泛听取社会各界的意见和要求,切实发挥社会监督作用。2024年公开的政府信息中未涉及国家秘密、商业秘密和个人隐私,没有经权利人同意公开或者行政机关认为不公开可能对公共利益造成重大影响的涉及商业秘密、个人隐私的政府信息。
二、主动公开政府信息情况
专人负责政府信息公开工作,加强网站账号管理,动态监测网站内容,确保信息安全;严格落实信息公开"三审三校"制度,通过政府网站、政务新媒体等方式多渠道公开政府信息,增强工作透明度。积极做好网站信息发布工作,本年度在政府网站"公告公示"栏目公开信息11条,"部门预决算"栏目公开信息2条,"部门动态"栏目公开信息2条,在"政府信息公开"栏目公开信息1条,完成信息保障任务。及时收办、回复政府网站互动交流栏目信息,处理信息0条。加强政务新媒体管理,严格执行备案登记制度,做好信息常态化更新。



五、存在的主要问题及改进情况
(一)主要问题。主动公开意识有待进一步增强,公开内容的深度和广度还不够。
(二)改进情况。一是紧紧围绕司法行政工作和人民群众的新期望、新要求,加大对法治政府建设等具有业务特色和群众需求的政府信息内容公开,提高主动公开率。二是提高工作人员的业务素质和能力水平,推动政务公开工作深入发展。
六、其他需要报告的事项
本年度未收取信息处理费。
本报告中所列数据统计时间为2024年1月1日至2024年12月31日,如需了解更多政府信息,请登录沐川县人民政府门户网站查询,网址为:http://www.muchuan.gov.cn/。
沐川县司法局
2025年2月13日
|